● AKH-L零序電流互感器
功能:
本系列零序電流互感器為開口式,一次主絕緣由電纜保證,產品僅考核二次繞組的絕緣性能,二次繞組對地能承受3kV工頻耐壓。
應用范圍:
適用于戶內、額定頻率50Hz或60Hz、額定電壓35kV及以下的小接地電流系統中供三相電纜接地保護用,也可與繼電器配套使用。
訂貨范例:
具體型號:AKH-L-φ80 60A/1A
技術要求:孔徑φ80,電流規格60A/1A,準確級10P10,額定負荷1VA。
通訊協議:無
輔助電源:無
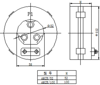
● AMZK系列電流互感器
功能:
本產品適用頻率為50-60Hz,為開合式產品,安裝極為方便,內部有三個橡膠圈用于固定一次電纜,一次主絕緣由電纜保證,產品僅考核二次繞組的絕緣性能。
應用范圍:
10kV環網柜作電能計量、測量裝置和繼電保護用。
訂貨范例:
具體型號:AMZK52 150A/5A
技術要求:電流規格150A/5A,準確級0.5,額定負荷1.5VA。
通訊協議:無
輔助電源:無










